
Verify availabilityAdd to lists:✕

The 2LDK residential part (115 square meters) occupies more than 50% of the entire building, and mortgage consultation is available. Viewing available.2LDK住宅部分(115平米)は建物全体の50%以上を占めており、住宅ローン相談が可能。内見可能。
| Land:土地面積 | 129 m² |
|---|---|
| Building:建物面積 | 220 m² |
| Scale:建物規模 | Wooden 3-story building (total number of 5 units)木造3階建(総戸数5戸) |
| Structure:構造 | Wooden木造 |
| Built in:建築年 | 2014 |

Rental housing. Partial rental is fully booked. The self-use part is 115 square meters (2LDK + roof). Mortgage available. 2 stations and 4 lines available.賃貸併用住宅。賃貸部分満室。自己利用部分115平米(2LDK+屋上)。住宅ローン利用可。2駅4路線利用可能。
| Land:土地面積 | 129 m² |
|---|---|
| Building:建物面積 | 220 m² |
| Scale:建物規模 | Wooden 3-story building 5 units in total木造3階建 総戸数5戸 |
| Structure:構造 | Wooden木造 |
| Built in:建築年 | 2014 |

Rental housing. The yield is 6.2% when the room is fully booked, and the annual income when the room is fully booked is 3.084 million yen. Current status is handed over. Annual rental income is calculated based on current rent. The seller's liability for non-conformity to the contract (including equipment) is exempted.賃貸併用住宅。満室時利回り6.2%、満室時年収308.4万円。現況有姿渡し。年間賃料収入は現賃料を基に算出。売主による契約不適合責任免責(設備も含む)。
| Land:土地面積 | 342 m² |
|---|---|
| Building:建物面積 | 167 m² |
| Scale:建物規模 | Wooden 2-story building (2-story building)木造2階建(2階建) |
| Structure:構造 | Wooden two-story building Total number of units 2 units木造2階建 総戸数2戸 |
| Built in:建築年 | 2003 |

◎ Keio Line Fuchu Station 9 minutes, Musashino Line Kita-Fuchu Station 8 minutes Within 10 minutes walk along the 2 line
◎3 floors with a living area of 100 square meters or more + 1 car space
◎Both supermarkets and convenience stores are within a 5-minute walk Good location with a good living environment
◎ First Elementary School, Fourth Junior High School School District
◎Scheduled to be completed by the end of December 2025
◎If it is different from the drawing, the current situation will be given priority.◎京王線府中駅9分、武蔵野線北府中駅8分 2沿線徒歩10分以内
◎3階建て 居宅面積100㎡以上+カースペース1台分付き
◎スーパー・コンビニともに徒歩5分以内 生活環境充実の好立地
◎第一小学校・第四中学校学区
◎2025年12月末完成予定
◎図面と異なる場合には現況を優先致します
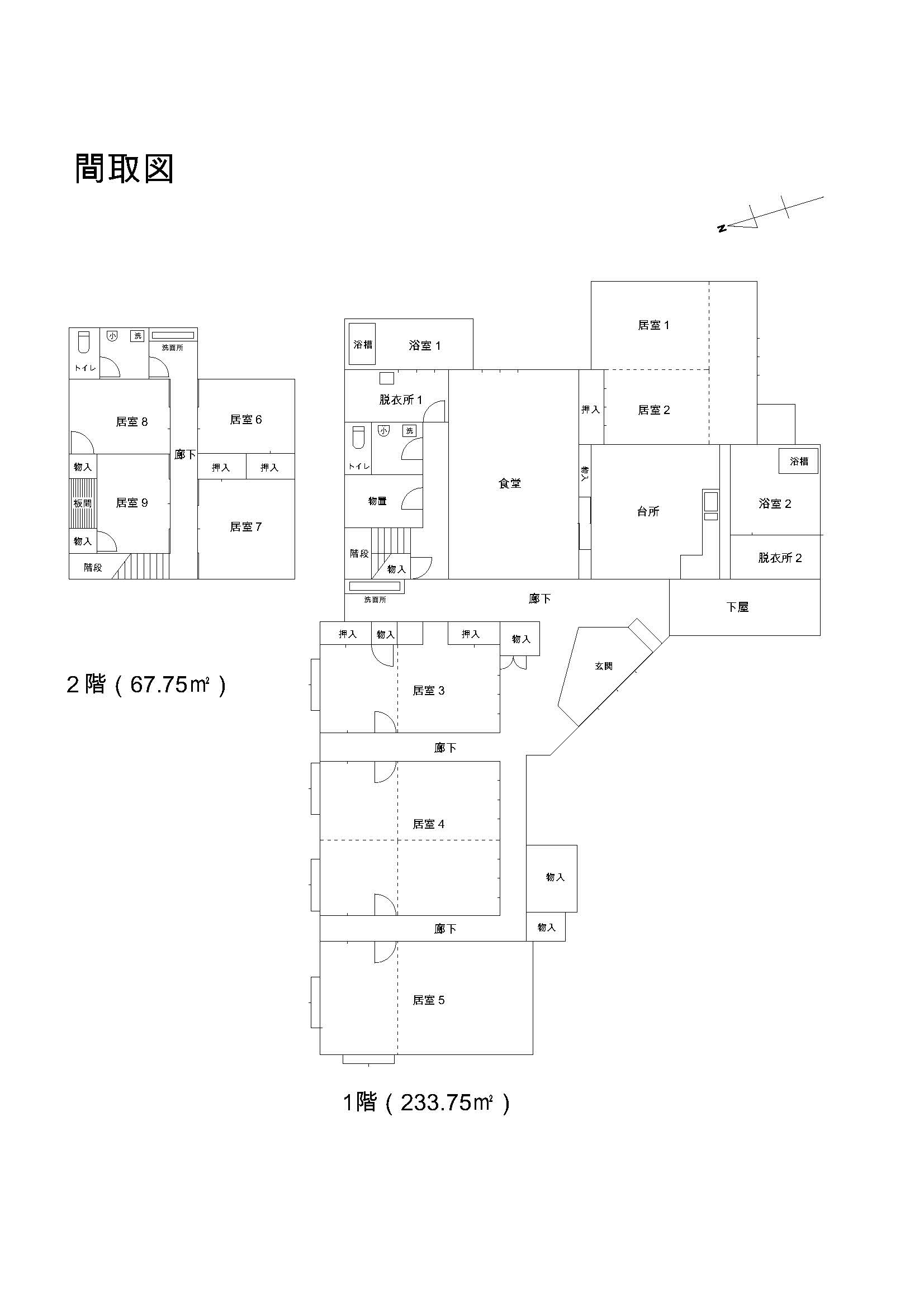
| Land:土地面積 | 67 m² |
|---|---|
| Building:建物面積 | 101 m² |
| Scale:建物規模 | 3 floors3階建て |
| Built in:建築年 | 2025 |

The interior has been renovated. Information release date: October 5, 2025. Inheritance tax route price: 86,000 yen/m². There is a plan to extend the Tama City Monorail Hakonegasaki Station.内装リフォーム済。情報公開日:2025年10月5日。相続税路線価:86,000円/m²。多摩都市モノレール箱根ヶ崎駅延伸計画あり。
| Land:土地面積 | 72 m² |
|---|---|
| Building:建物面積 | 66 m² |
| Scale:建物規模 | Wooden two-story building Total number of units: 1 unit木造2階建 総戸数1戸 |
| Structure:構造 | Two-story wooden structure木造2階建 |
| Built in:建築年 | 1981 |

Relocating to the Tokyo To (Tokyo Metropolis) prefecture offers a dynamic lifestyle characterized by a unique blend of tradition and modernity. As the heart of Japan, Tokyo boasts an extensive transportation network, making it convenient to explore its bustling neighborhoods, cultural landmarks, and lush parks. The vibrant city is known for its shopping, dining, and entertainment options, alongside rich cultural experiences like art galleries, museums, and traditional festivals. Residents often enjoy a fast-paced lifestyle with a focus on work, socialization, and leisure. Finding affordable housing in Tokyo is a challenge due to high demand and limited space. While options exist in suburban areas or smaller units, prices tend to be significantly higher compared to other regions. Renting a small apartment in central Tokyo can be costly, but more reasonably priced options can be found in neighboring areas, such as Saitama or Chiba, where commuting is manageable. In terms of quality of life, Tokyo To offers excellent healthcare, education, and safety, often ranking high on global livability indices. However, the cost of living is relatively high, particularly for housing and daily expenses. Compared to other regions in Japan, like Hokkaido or Kyushu, where living costs are lower and nature is more accessible, Tokyo provides an unparalleled urban lifestyle; but it may come with the trade-off of higher expenses. Overall, Tokyo offers an exciting lifestyle for those willing to navigate the challenges of urban living and housing.
AllAkiyas.com puts at your disposition thousands of Japanese real estate listings of properties available for sale or rent. Our extensive listings include detached houses, townhouses, apartments, commercial spaces, and vacant lots. We place a special focus on traditional vacant houses, known as akiya (or kominka in rural areas), and traditional townhouses, or machiya. You can easily search for properties across all of Japan's prefectures using your specific criteria.